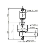
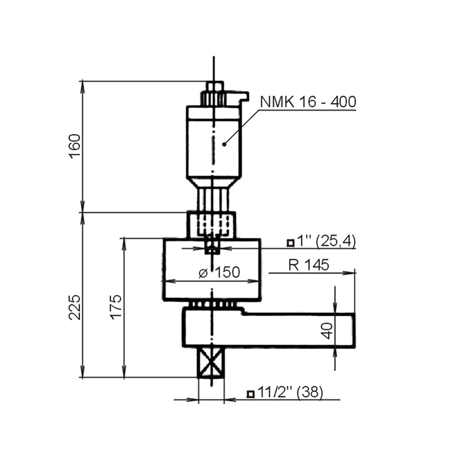
Torque Multiplier NMK
The torque multiplier is designed for assembling and disassembling bolted joints of large diameters. In particular, it facilitates the releasing of corroded bolted joints. Currently, our company produces two sizes of the Torque Multiplier NMK.
Characteristics
- Exerts big torque by small manual power.
- Designed for tightening bolted joints by specified tightening torque.
- Facilitates the releasing of corroded bolted joints.
- Delivered with socket heads of s = 46 ÷ 155 mm.
- Simple operation and easy maintenance.
SEND INQUIRY
Basic Equipment
| NMK 16 - 400 | NMK 78 - 1250 |
| Two speed epicyclic gear |
Split three speed epicyclic gear |
| Lever support |
Lever support |
| Ratched wrench |
Ratched wrench |
| Set of 8 tightening heads |
Set of 9 tightening heads |
| Wooden box |
2 Wooden boxes |
 |
 |
Accessories
Technical Parameters
| | NMK 16 - 400 | NMK 78 - 1250 |
| Max. input torque [Nm] |
250 |
160 |
| Max. output torque [Nm] |
4 000 |
12 500 |
| Operative ratio |
1 : 16 |
1 : 78 |
| Use for screws/bolts |
M 30 ÷ M 52 |
M 48 ÷ M 80 |
| Socket heads [mm] |
46, 50, 55, 60, 65, 70, 75, 80 |
75, 80, 85, 90, 95, 100, 105, 110, 115 |
| Weight of gearbox with bracket [kg] |
7.95 |
21.65 |
Packing dimensions [mm] / weight [kg] |
transport case 605 x 280 x 155 / 30 |
two transport cases 700 x 260 x 190 / 34 |
 |
 |
Extra Accessories
- Torque spanner OMK 20 (50 ÷ 200 Nm)
- Pneumatic drive PP 400
- Atypical socket heads
- Equipment for railway repair shops
|
 |
| |
Pneumatic drive PP 400 |